• 香蕉视频APP在线观看,香蕉视频免费版下载,香蕉视频成人在线,香蕉视频色在线观看

    欢迎访问佛山市香蕉视频免费版下载传感仪器有限公司官网!

    解决方案

    产品分类

    联系香蕉视频APP在线观看

    佛山市香蕉视频免费版下载传感仪器有限公司

    联系人:张总

    电话:0757-22300095

    手机:18902563858

    邮箱:931199351@qq.com

    传真:0757-22300097

    地址:广东省佛山市顺德区勒流富安工业区光电产业园4栋303号

    网址:www.hytfishnet.com


    HDW802悬臂梁测力传感器

    您的当前位置: 首 页 >> 产品中心 >> 称重测力扭矩传感器

    HDW802悬臂梁测力传感器

    • 所属分类:称重测力扭矩传感器

    • 品牌:香蕉视频免费版下载
    • 点击次数:
    • 发布日期:2023/01/11
    • 在线询价
    • 详细介绍

    特点: 一端固定一端加载,受力形式多样,重心低,安装方便,互换性好。

                可选择内置式放大器,4~20mA或0~5V输出。

    结构: 采用合金钢材质,焊接密封。
    用途: 主要适用电子台秤、料斗秤、配料设备、地上衡、移动衡称重等。    


    【主要技术参数】:

    额定载荷 Rated Load:0.5,1, 2,3,5,10,15,20,30,50,70,100,150,200(kN)
    综合精度 Comprehensive Precision:0.02~0.05%F·S
    灵敏度 Sensitivity:2.0 mV/V
    蠕变 Creep:±0.02 %F·S/30min
    零点输出 Zero Output:±1 %F·S
    零点温度影响 Temperature Effect On Zero:±0.02 %F·S/10℃
    输出温度影响 Temperature Effect On Output:±0.02 %F·S/10℃
    工作温度 Operating Temperature Range: -20℃~+65℃
    输入阻抗 Input Resistance:380±10 Ω
    输出阻抗 Output Resistance:350±3 Ω
    绝缘电阻 Insulation Resistance:>5000 MΩ
    安全过载 Safe Load Limit:150% F·S
    供桥电压 Bridge Voltage:建议 10V DC
    材质 Material:合金钢或不锈钢Alloy Steel or Stainless Steel
    传感器接线方式 Load Cell Mode of Connection: 输入+:红 Input+: Red;输入-:黑 Input-:Black;输出+:绿 Output+:Green;输出-:白 Output-:White

     

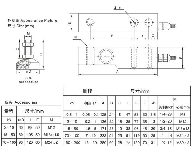
    【尺寸图】:

    悬臂梁称重传感器配料秤测力传感器密封良好,使用广泛,欢迎来电咨询定购!

    本文网址:http://www.hytfishnet.com/product/703.html

    关键词:配料秤测力传感器厂家,配料秤测力传感器多少钱,配料秤测力传感器供应商

    最近浏览:

    相关产品:

    相关新闻:

    欢迎给香蕉视频APP在线观看留言
    请在此输入留言内容,香蕉视频APP在线观看会尽快与您联系。
    姓名
    联系人
    电话
    座机/手机号码
    邮箱
    邮箱
    地址
    地址
    网站地图