• 香蕉视频APP在线观看,香蕉视频免费版下载,香蕉视频成人在线,香蕉视频色在线观看

    欢迎访问佛山市香蕉视频免费版下载传感仪器有限公司官网!

    解决方案

    产品分类

    联系香蕉视频APP在线观看

    佛山市香蕉视频免费版下载传感仪器有限公司

    联系人:张总

    电话:0757-22300095

    手机:18902563858

    邮箱:931199351@qq.com

    传真:0757-22300097

    地址:广东省佛山市顺德区勒流富安工业区光电产业园4栋303号

    网址:www.hytfishnet.com


    新乡HDN-2150双量程静态扭矩传感器

    您的当前位置: 首 页 >> 产品中心 >> 新乡扭矩传感器

    新乡HDN-2150双量程静态扭矩传感器

    • 所属分类:新乡扭矩传感器

    • 点击次数:
    • 发布日期:2024/09/23
    • 在线询价
    • 详细介绍

    【产品应用】:

           HDN-2150双量程静态扭矩传感器适用于电动机、内燃机等旋转设备以及铁路机车等机械的扭矩和功率的检测。


    【产品特点】:

    · 电阻应变式原理,精度高,性能稳定可靠,大量程扭矩测量,安装使用方便

    · 双量程静态扭矩测量

    · 一端为键法兰连接,一端为法兰盘连接


    【主要技术参数】:

    量程

    0-20,100,1000,3000,4000Nm等

    输出电阻

    700±5Ω

    灵敏度

    1.5±10% mV / V

    绝缘电阻

    5000MΩ/ 100VDC

    零点输出

    ±2% F.S.

    激励电压

    10-15VDC

    非线性

    ±0.1,0.3% F.S.

    温度补偿范围

    -10 ~ 60℃

    滞后

    ±0.05% F.S.

    工作温度范围

    -20 ~ 65℃

    重复性

    ±0.05% F.S

    安全超载

    150% F.S.

    蠕变

    ±0.03% F.S/30min

    极限超载

    200% F.S.

    温度灵敏度漂移

    0.03% F.S. / 10℃

    电缆线尺寸

    Ø5.2×3m

    零点温度漂移

    0.03% F.S. / 10℃

    电气连接

    红/E+,黑/E-,绿/S+,白/S-

    输入电阻

    750±10Ω

    材质

    不锈钢或合金钢

    输出电阻

    700±5Ω

    其它要求

    可定制


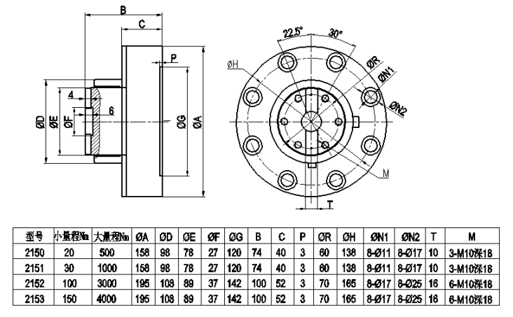
    【产品尺寸(单位mm)】:

    双量程静态扭矩传感器尺寸



    本文网址:http://www.hytfishnet.com/product/775.html

    关键词:双量程静态扭矩传感器,静态扭矩传感器,扭矩传感器

    最近浏览:

    欢迎给香蕉视频APP在线观看留言
    请在此输入留言内容,香蕉视频APP在线观看会尽快与您联系。
    姓名
    联系人
    电话
    座机/手机号码
    邮箱
    邮箱
    地址
    地址
    网站地图