• 香蕉视频APP在线观看,香蕉视频免费版下载,香蕉视频成人在线,香蕉视频色在线观看

    欢迎访问佛山市香蕉视频免费版下载传感仪器有限公司官网!

    解决方案

    联系香蕉视频APP在线观看

    佛山市香蕉视频免费版下载传感仪器有限公司

    联系人:张总

    电话:0757-22300095

    手机:18902563858

    邮箱:931199351@qq.com

    传真:0757-22300097

    地址:广东省佛山市顺德区勒流富安工业区光电产业园4栋303号

    网址:www.hytfishnet.com


    呼伦内尔HDN-17系列静态扭矩传感器

    您的当前位置: 首 页 >> 产品中心 >> 呼伦内尔扭矩传感器

    呼伦内尔HDN-17系列静态扭矩传感器

    • 所属分类:呼伦内尔扭矩传感器

    • 点击次数:
    • 发布日期:2024/09/28
    • 在线询价
    • 详细介绍

    【产品应用】:

           HDN-17静态扭矩传感器</strong></font></a>" textvalue="静态<a href='http://www.hytfishnet.com/product/njcgq463/' target='_blank' class='key_tag'><font color=#2086ee><strong>扭矩传感器</strong></font></a>" style="margin: 0px; padding: 0px; border: 0px; text-decoration-line: none; outline: none; color: rgb(102, 102, 102);">静态扭矩传感器主要应用于各种加工设备、机床、风机、水泵、齿轮箱、扭力板手的扭矩及功率的检测。


    【产品特点】:

    · 电阻应变为敏感元件,精度高,性能稳定可靠

    · 静态扭矩测量,两端均为键连接,安装使用方便

    · 扭矩传感器采用德国技术和生产设备及先进的检测设备


    【主要技术参数】:

    image.png


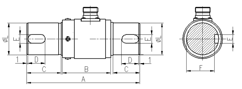
    【产品尺寸(单位mm)】:

    静态扭矩传感器尺寸图

    扭矩传感器尺寸


    本文网址:http://www.hytfishnet.com/product/786.html

    关键词:静态扭矩传感器,扭矩传感器,静态扭力传感器

    最近浏览:

    欢迎给香蕉视频APP在线观看留言
    请在此输入留言内容,香蕉视频APP在线观看会尽快与您联系。
    姓名
    联系人
    电话
    座机/手机号码
    邮箱
    邮箱
    地址
    地址
    网站地图