• 香蕉视频APP在线观看,香蕉视频免费版下载,香蕉视频成人在线,香蕉视频色在线观看

    欢迎访问佛山市香蕉视频免费版下载传感仪器有限公司官网!

    解决方案

    产品分类

    联系香蕉视频APP在线观看

    佛山市香蕉视频免费版下载传感仪器有限公司

    联系人:张总

    电话:0757-22300095

    手机:18902563858

    邮箱:931199351@qq.com

    传真:0757-22300097

    地址:广东省佛山市顺德区勒流富安工业区光电产业园4栋303号

    网址:www.hytfishnet.com


    贵州HDN-1050E微量程动态扭矩传感器

    您的当前位置: 首 页 >> 产品中心 >> 贵州扭矩传感器

    贵州HDN-1050E微量程动态扭矩传感器

    • 所属分类:贵州扭矩传感器

    • 点击次数:
    • 发布日期:2024/09/21
    • 在线询价
    • 详细介绍

    【产品应用】:

           各种加工设备、自动机床、电动机、发动机、内燃机等旋转动力设备,以及铁路机车、工业风机、水泵、齿轮箱、扭力板手的扭矩和功率的检测。


    【产品特点】:

    · 电阻应变为敏感元件和集成电路构成的一体产品,精度高,抗干扰,性能稳定可靠

    · 没有集流环等磨损件,可高速长时间运转,输出正反转扭矩信号

    · 两端均为键连接,安装使用方便

    · 转速可达1800转/分钟


    【主要技术参数】:

    量程

    0-0.1,0.2,0.3,0.5,1-5Nm

    电阻

    700±5Ω

    灵敏度

    1-1.5 mV / V

    绝缘电阻

    5000MΩ/ 100VDC

    零点输出

    ±2% F.S.

    激励电压

    10-15VDC

    非线性

    ±0.1,0.3% F.S.

    温度补偿范围

    -10 ~ 60

    滞后

    ±0.05% F.S.

    工作温度范围

    -20 ~ 65

    重复性

    ±0.05% F.S

    安全超载

    150% F.S.

    蠕变

    ±0.03% F.S/30min

    极限超载

    200% F.S.

    温度灵敏度漂移

    0.03% F.S. / 10

    电缆线尺寸

    Ø5.2×3m

    零点温度漂移

    0.03% F.S. / 10

    电气连接

    /E+,黑/E-,绿/S+,白/S-

    输入电阻

    750±10Ω

    材质

    不锈钢或合金钢


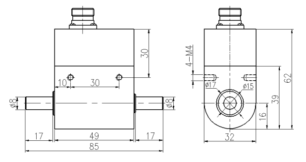
    【产品尺寸(单位mm)】:

    image.png


    本文网址:http://www.hytfishnet.com/product/772.html

    关键词:动态扭矩传感器,微量程动态扭矩传感器,扭矩传感器

    最近浏览:

    欢迎给香蕉视频APP在线观看留言
    请在此输入留言内容,香蕉视频APP在线观看会尽快与您联系。
    姓名
    联系人
    电话
    座机/手机号码
    邮箱
    邮箱
    地址
    地址
    网站地图