• 香蕉视频APP在线观看,香蕉视频免费版下载,香蕉视频成人在线,香蕉视频色在线观看

    欢迎访问佛山市香蕉视频免费版下载传感仪器有限公司官网!

    解决方案

    产品分类

    联系香蕉视频APP在线观看

    佛山市香蕉视频免费版下载传感仪器有限公司

    联系人:张总

    电话:0757-22300095

    手机:18902563858

    邮箱:931199351@qq.com

    传真:0757-22300097

    地址:广东省佛山市顺德区勒流富安工业区光电产业园4栋303号

    网址:www.hytfishnet.com


    替进口型RF磁致伸缩位移传感器电子尺

    您的当前位置: 首 页 >> 产品中心 >> 磁致伸缩传感器

    替进口型RF磁致伸缩位移传感器电子尺

    • 所属分类:磁致伸缩传感器

    • 品牌:香蕉视频免费版下载
    • 点击次数:
    • 发布日期:2021/06/26
    • 在线询价
    • 详细介绍

    【产品介绍】:

      HDM-R系列磁致伸缩位移传感器(简称“磁尺”)是应用磁致伸缩原理研制而成,达到计量级精度的新一代精确测量“位移”的传感器。磁尺输出是真正的绝对位置,不需要定期重新标定的维护,测量过程中更无须重归回零位。磁尺因其特有的优点,已在国内工控领域得到越来越广泛的应用。该系列产品为客户提供电流、电压、SSI、ModBus、Profibus、Star/Stop等多种信号输出,在不同的应用场合可以为客户提供有效的解决方案,以及丰富的产品应用经验。

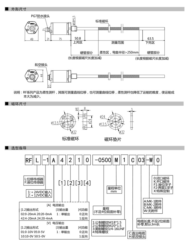
      HDM-R系列RF磁尺主要是为替代进口磁致伸缩位移传感器研发的新一代非接触式位移传感器,其性能可媲美同等进口产品。


    【产品特点】

    ■ 柔性测杆,大量程更换仅需极小空间      

    ■ 绝对位置输出,无须归零

    ■ 非接触式测量 ,永不磨损       

    ■ 分辨率,模拟量输出16位D/A

    ■ 易于诊断,LED灯实时状态显示       

    ■ 低功耗设计,有效减小系统温漂


    【技术参数】

    测量参数
    测量范围: 500~16000mm
    输出信号: 0~20mADC(最小/最大负载:0/500Ω)、4~20mADC(最小/最大负载:0/500Ω)
           ± 10VDC(最小负载>5KΩ)、0~5VDC(最小负载>5KΩ)、0~10VDC(最小负载>5KΩ )
    分 辨 率: 16位DA
    非线性度: <±0.10%F.S.( 最小±125um)
    重复精度: <±0.004%F.S.(最小±5um )

     

    安装与附件
    安装方向: 任意
    安装方式: 螺纹安装,M18*1.5或用户定制
    位置磁铁: 环形磁铁OD32

     

    结构&材料
    传感器头: 铝合金
    外保护杆: 304L不锈钢
    安装法兰: 304L不锈钢

     

    电气特性
    出线方式: 防水接头或六芯航空接头
    输入电压: 24VDC ( -15/+20% )
    工作电流: <60mA( 随量程变化 )
    极性保护: 最大-30VDC
    超压保护: 最大36VDC
    绝缘能力:  500V ( 信号地与外壳间 )
    故障指示: 红绿双色LED指示灯

     

    工作条件
    磁铁速度: 任意
    环境温度: -40℃~+75℃
    湿度/露点: 湿度90%,不能结露
    温度系数: ± 0.007%F.S. /℃
    防护等级: IP67

    替进口型磁尺

    本文网址:http://www.hytfishnet.com/product/740.html

    关键词:RF磁致伸缩位移传感器,磁致伸缩位移传感器,传感器电子尺

    上一篇:替进口型RPL磁致伸缩位移传感器电子尺
    下一篇:没有了

    最近浏览:

    欢迎给香蕉视频APP在线观看留言
    请在此输入留言内容,香蕉视频APP在线观看会尽快与您联系。
    姓名
    联系人
    电话
    座机/手机号码
    邮箱
    邮箱
    地址
    地址
    网站地图