• 香蕉视频APP在线观看,香蕉视频免费版下载,香蕉视频成人在线,香蕉视频色在线观看

    欢迎访问佛山市香蕉视频免费版下载传感仪器有限公司官网!

    解决方案

    产品分类

    联系香蕉视频APP在线观看

    佛山市香蕉视频免费版下载传感仪器有限公司

    联系人:张总

    电话:0757-22300095

    手机:18902563858

    邮箱:931199351@qq.com

    传真:0757-22300097

    地址:广东省佛山市顺德区勒流富安工业区光电产业园4栋303号

    网址:www.hytfishnet.com


    HDWS-H高温型温湿度变送器

    您的当前位置: 首 页 >> 产品中心 >> 温湿度变送器

    HDWS-H高温型温湿度变送器

    • 所属分类:温湿度变送器

    • 品牌:香蕉视频免费版下载
    • 点击次数:
    • 发布日期:2023/08/29
    • 在线询价
    • 详细介绍

            本产品为专为高温度环境工业应用而设计的高温型温湿度变送器,采用自主研发的电阻式湿度测量元件,具有测量准确、适应温度范围广、抗化学污染能力强、工作稳定、使用寿命长等特点。温度、湿度两路4-20mA电流信号输出,可以适配RS485接口。

            本产品在-40—260℃较宽的温度范围内保证高精度,高稳定性、优越的可重复性进行温湿度测量,在烘干、涂布工艺、冷冻产业等领域得到了广泛的应用。

    应用领域:

            适用于工业现场测量、石油化工气体排放检测、热电气体排放检测、烟草工业、烘干箱、环境试验箱、烟气检测、火力发电、垃圾焚烧、化工等行业,。

    产品特点:

    1、外形美观、安装方便;
    2、测量准确、输出稳定;
    3、湿度全量程温度补偿;
    4、宽范围工作电压;
    5、单片机智能处理、高抗干扰设计

    技术参数:

    温度量程:-40 ~260℃之间量程可定制

    湿度量程:0~100%RH
    供   电:24(12~36)VDC

    温度精度:±0.5℃(0-50℃)

    湿度精度:±2%RH  ±3%RH  ±5%RH

    信号输出:4-20mA 、0-5V 、RS485等

    环境温度:-20 ~85℃

    环境湿度:10~95%RH

    负载能力:电流输出型 500Ω、电压输出型1KΩ

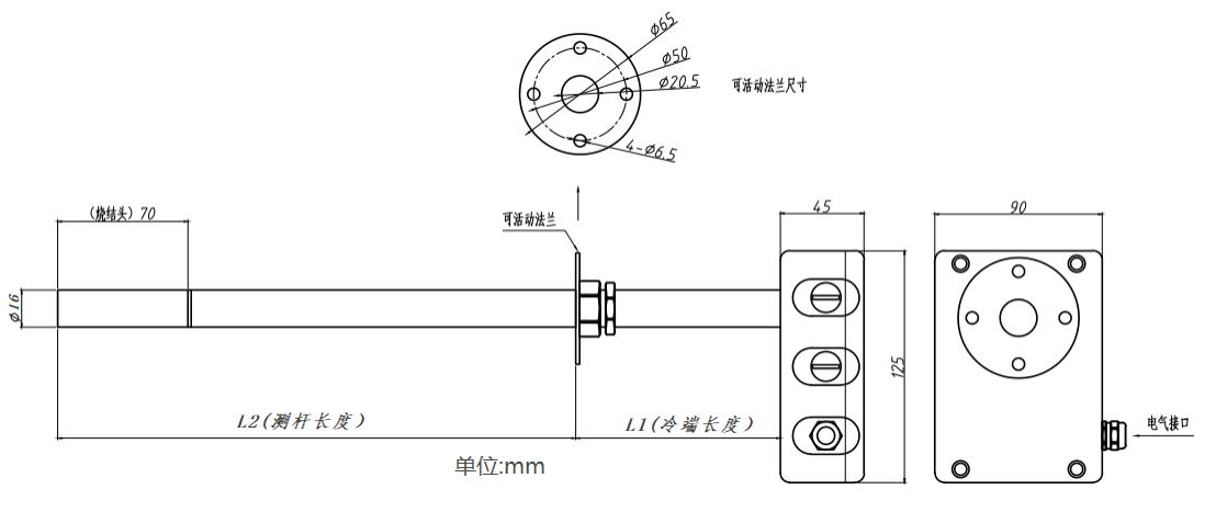
    安装方式:管道式(螺纹或法兰固定)

    插      深:200mm(标准),特殊要求可定制

    外      壳:ABS塑料

    产品尺寸:

    超高温湿度传感器尺寸

    本文网址:http://www.hytfishnet.com/product/692.html

    关键词:管道高温型温湿度变送器定制,管道高温型温湿度变送器生产商,管道高温型温湿度变送器多少钱

    最近浏览:

    相关产品:

    相关新闻:

    欢迎给香蕉视频APP在线观看留言
    请在此输入留言内容,香蕉视频APP在线观看会尽快与您联系。
    姓名
    联系人
    电话
    座机/手机号码
    邮箱
    邮箱
    地址
    地址
    网站地图