• 香蕉视频APP在线观看,香蕉视频免费版下载,香蕉视频成人在线,香蕉视频色在线观看

    欢迎访问佛山市香蕉视频免费版下载传感仪器有限公司官网!

    解决方案

    产品分类

    联系香蕉视频APP在线观看

    佛山市香蕉视频免费版下载传感仪器有限公司

    联系人:张总

    电话:0757-22300095

    手机:18902563858

    邮箱:931199351@qq.com

    传真:0757-22300097

    地址:广东省佛山市顺德区勒流富安工业区光电产业园4栋303号

    网址:www.hytfishnet.com


    HD3051单晶硅智能差压变送器

    您的当前位置: 首 页 >> 产品中心 >> 差压变送器

    HD3051单晶硅智能差压变送器

    • 所属分类:差压变送器

    • 品牌:香蕉视频免费版下载
    • 点击次数:
    • 发布日期:2019/06/20
    • 在线询价
    • 详细介绍

        HD3051单晶硅智能差压变送器组件采用德国先进的MEMS技术制成的单晶硅传感器芯片、全球独创的单晶硅双梁悬浮式设计,实现了国际领先的高准确度、超高过压性能优异的稳定性。内嵌智能信号处理模块,实现静压与温度补偿的完美结合,可在大范围内的静压和温度变化下提供极高的测量精度和长期稳定性。

        HD3051能准确的测量差压,并把它转换成4~20mADC的输出信号。该传感器可通过三按键本地操作,或通用手操器、组态软件、以及手机 APP 远程操作,在不影响4~20mADC的输出信号的同时,进行显示与组态。

    应用领域:

    ■ 石油/石化/化工
    与节流装置配套,提供精确的流量测量和控制。精确测量管道和贮罐的香蕉视频成人在线和香蕉视频色在线观看。
    ■ 电力/城市煤气/其它公司事业
    要求高稳定和高精度的香蕉视频成人在线、流量、香蕉视频色在线观看测量等场所。
    ■ 纸浆和造纸
    用于要求耐化学液体、耐腐蚀性液体的香蕉视频成人在线、流量、香蕉视频色在线观看测量场所。
    ■ 钢铁/ 色金属/陶瓷
    用于炉膛香蕉视频成人在线、负压测量等要求高稳定性,高精度测量场所。
    ■ 机械装备/造船
    用于在严格控制香蕉视频成人在线、流量、香蕉视频色在线观看等指标条件下,要求稳定测量的场所。

    产品特点:

    ■ 高准确度
    差压传感器在0.1~40kPa~4MPa的测量范围内,可进行高准确度测量。标准校验量程精度:±0.075%FS

    微小量程下优异的过压性能

    1kPa标准量程单边过压达1MPa;6kPa标准量程单边过压达2MPa
    ■ 优异的环境适应性
    智能静压补偿和温度补偿,保护变送器不受温度、静压与过压的影响,将现场的综合测量误差控制到最小。
    ■ 灵活的量程压缩
    量程比:4:1(10:1可选)
    ■ 优异的操作性和使用便利性
    ▪ 备有5位带背光LCD数字显示器
    ▪ 多种显示功能 (Pa、kPa、MPa、bar、mbar、%、psi、mmH2O)
    ▪ 内置三按键快捷操作就地调整功能
    ▪ 通过手机 APP 进行远程调试
    ▪ 备有各种抗腐蚀材料
    ▪ 全面自诊断功能

    主要技术参数:

    量程:0.1~40kPa~4MPa

    精度等级:±0.075%FS、±0.10%FS、±0.20%FS

    工作电压:(12.5~48)V DC
    输出信号:4~20mA(可带HART协议数字通讯)、RS485
    工作温度:-20℃~60℃
    迁移震动影响:任意轴上,200HZ/g为0.01%FS, 年稳定性优于0.2%<
    温度影响:-20℃~60℃±0.1%/10k

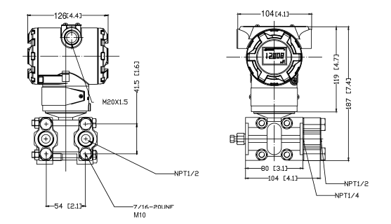
    产品尺寸:

    image.png

    选型说明:

    (略)

    安装说明:

    1.常规安装指南:

    ◆ 安装可能导致测量值偏差。例如:在空容器中测量时,显示的测量值并非为0,此时可通过本地三按键,或通过远程操作可以进行零点迁移校正。
    ◆ 取压管的常规安装要求请参考DIN 19210标准“流体测量方式”;“流量测量设备的差压管道”或相关国家或国际标准。无需中断过程,使用三阀组或五阀组即可简便的进行仪表调试、安装和维护。
    ◆ 在户外安装取压管时,应采取充足的防冻保护措施,例如:进行管道伴热。
    ◆ 取压管路的倾斜安装角度应至少为 10%。
    ◆ 请勿使用坚硬或尖锐物品清洁或接触隔膜密封圈。
    ◆ 外壳的最大旋转角度为 380°,确保现场显示单元具有最佳可读性。
    ◆ 现场显示屏可以 90°旋转。
    ◆ 本公司提供仪表的直角或平板安装支架,可直接安装在管道上或直接安装在墙壁上以及仪表板上。下图给出了不同的安装形式(用户可选)。

    image.png

                       安装使用直角支架安装图                                                使用平板支架安装图

    2.安装位置:
    变送器在工艺管道上的正确的安装位置,与被测介质有关。为了获得最佳的安装,应注意考虑下面的情况:
    ◆ 防止变送器与腐蚀性或过热的被测介质相接触。
    ◆ 要防止渣滓在导压管内沉积。
    ◆ 导压管要尽可能短一些。
    ◆ 两边导压管内的液柱压头应保持平衡。
    ◆ 导压管应安装在温度梯度和温度波动小的地方。
    ◆ 防止引压管内结晶或低温结冰

    本文网址:http://www.hytfishnet.com/product/645.html

    关键词:单晶硅智能差压变送器定制,单晶硅差压变送器多少钱,单晶硅智能差压变送器厂家

    最近浏览:

    相关产品:

    相关新闻:

    欢迎给香蕉视频APP在线观看留言
    请在此输入留言内容,香蕉视频APP在线观看会尽快与您联系。
    姓名
    联系人
    电话
    座机/手机号码
    邮箱
    邮箱
    地址
    地址
    网站地图