• 香蕉视频APP在线观看,香蕉视频免费版下载,香蕉视频成人在线,香蕉视频色在线观看

    欢迎访问佛山市香蕉视频免费版下载传感仪器有限公司官网!

    解决方案

    产品分类

    联系香蕉视频APP在线观看

    佛山市香蕉视频免费版下载传感仪器有限公司

    联系人:张总

    电话:0757-22300095

    手机:18902563858

    邮箱:931199351@qq.com

    传真:0757-22300097

    地址:广东省佛山市顺德区勒流富安工业区光电产业园4栋303号

    网址:www.hytfishnet.com


    HDK104智能香蕉视频成人在线控制器

    HDK104智能香蕉视频成人在线控制器

    • 所属分类:香蕉视频成人在线控制器

    • 品牌:香蕉视频免费版下载
    • 点击次数:
    • 发布日期:2023/08/26
    • 在线询价
    • 详细介绍

    HDK104智能香蕉视频成人在线控制器是集香蕉视频成人在线测量、显示、输出、控制于一体的智能数显香蕉视频成人在线测控产品。该产品为全电子结构,前端采用带隔离膜充油压阻式香蕉视频成人在线传感器或应变式无腔香蕉视频成人在线传感器,由高精度的A/D转换,经微处理器运算处理,现场显示并输出一路模拟量(4~20MA)和两路开关量。
           该智能数字香蕉视频成人在线控制器使用灵活,操作简单,调试容易,安全可靠。

    仪表应用】:

        广泛应用于水电,自来水,石油,化工,机械,液压等行业,对流体、熔体介质的香蕉视频成人在线进行现场测量显示和控制。

    仪表特点】:

    ◆三个单位随意切换
    ◆采用高精度香蕉视频成人在线传感器,比机械香蕉视频成人在线开关精度高,迟滞小,响应快,稳定可靠;
    ◆两路220V,3A,单刀双掷继电器(常开常闭),最大限度满足客户灵活使用的需要。
    ◆全部软件校正,抗震动,抗干扰设计
    ◆标准仪表安装,外型小巧,安装方便

    ◆4位LED数码管显示,无视值误差.
    ◆两路控制点继电器输出(调节无死区,全量程设定继电器动作,且有回差设置功能,可防止香蕉视频成人在线波动带来反复动作)
    ◆可选配4~20mA标准信号输出
    多种螺纹接口可选,可以根据客户实际需要定制
    ◆低价格,高精度,高可靠性,替代各种
    香蕉视频成人在线继电器、电接点香蕉视频成人在线表、机械香蕉视频成人在线开关、指针香蕉视频成人在线表

    【技术参数】:

    量程范围

    -0.1~100MPa

    精度等级

    0.25%FS/0.5%FS

    过载能力

    200%

    香蕉视频成人在线类型

    表压

    稳定性

    ≤0.1% /年

    电源电压

    24VDC

    显示方式

    0.56"数码管

    显示范围

    -1999~9999

    环境温度

    -20℃~70℃

    相对湿度

    ≤80%

    安装螺纹

    M20*1.5等

    材质

    不锈钢

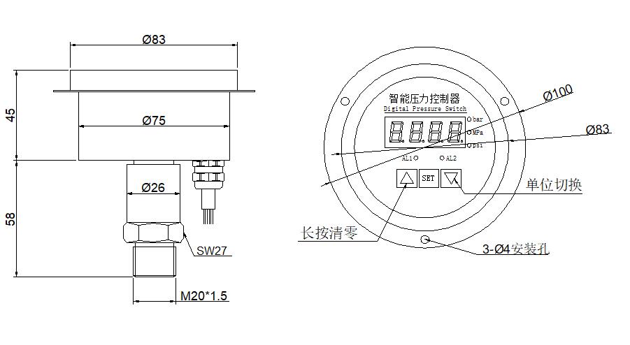
    【尺寸图(单位mm)】:

    径向香蕉视频成人在线控制器尺寸图

    轴向香蕉视频成人在线控制器尺寸图

    面板式安装香蕉视频成人在线控制器尺寸图

    本文网址:http://www.hytfishnet.com/product/610.html

    关键词:玻璃胶管道香蕉视频成人在线控制器,油压香蕉视频成人在线控制器,气压香蕉视频成人在线开关

    最近浏览:

    相关产品:

    相关新闻:

    欢迎给香蕉视频APP在线观看留言
    请在此输入留言内容,香蕉视频APP在线观看会尽快与您联系。
    姓名
    联系人
    电话
    座机/手机号码
    邮箱
    邮箱
    地址
    地址
    网站地图